FRL: Filter regulator and lubricatorensures the supply of air to the equipment
Filtered
regulator
lubricator
cut-off valve and valve sectioning
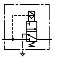
3/2 off valve NC,
controlled by solenoid valve, ensures
purging the installation.
This accessory helps
making machines
compliant facilities
European directives
(Consignment)
soft starter (self-driven)

Automatic switch to "full position
flow "as soon as the downstream pressure reaches 60
70% of the feed pressure
(Upstream pressure). The return to the position
Rest is obtained by cutting the
supply pressure.
soft starter
has electro-pneumatic control (includes the cutoff valve)
Drink machine
BSP fittings
(British Standard Pipe)

BSP cylindrical:
Sealing is ensured by an annular seal
incorporated (or a washer attached).
M 5, G1/8,G1/4,G3/8,G1/2,G3/4,G1
BSP conical
Sealing is ensured by a precoating
in the net.
R 1/8, R1/4, R3/8, R1/2, R3/4
fittings
tubing
Plastics
Polyamide (Nylon)
Nylon, food grade
Polyurethane
Terylene braided PVC
Metal braided rubber
Weld tube
Copper
annealed
Half hard standard duty
Half hard heavy duty
Steel
Double wall brazed
limit switches
regulator
lubricator
3/2 off valve NC,
controlled by solenoid valve, ensures
purging the installation.
This accessory helpsmaking machines
compliant facilities
European directives
(Consignment)
soft starter (self-driven)

Automatic switch to "full position
flow "as soon as the downstream pressure reaches 60
70% of the feed pressure
(Upstream pressure). The return to the position
Rest is obtained by cutting the
supply pressure.
soft starter
has electro-pneumatic control (includes the cutoff valve)
Drink machine
BSP fittings
(British Standard Pipe)

BSP cylindrical:
Sealing is ensured by an annular seal
incorporated (or a washer attached).
M 5, G1/8,G1/4,G3/8,G1/2,G3/4,G1
BSP conical
Sealing is ensured by a precoating
in the net.
R 1/8, R1/4, R3/8, R1/2, R3/4
tubing
Plastics
Polyamide (Nylon)
Nylon, food grade
Polyurethane
Terylene braided PVC
Metal braided rubber
Weld tube
Copper
annealed
Half hard standard duty
Half hard heavy duty
Steel
Double wall brazed
limit switches











0 commentaires:
Enregistrer un commentaire